Muitos profissionais buscam formas eficientes de como elaborar projetos elétricos com mais agilidade e menos retrabalho. Nesse cenário, a automação se tornou uma grande aliada do eletricista moderno, pois permite acelerar tarefas que antes eram manuais, repetitivas e demoradas. Além disso, o uso de softwares, simuladores e ferramentas digitais reduz falhas humanas, padroniza processos e aumenta significativamente a precisão técnica em todas as etapas do projeto, desde o dimensionamento até a documentação final.

Quando falamos sobre como elaborar Projetos Elétricos de forma manual, o profissional enfrenta uma série de limitações práticas. O método tradicional de desenho técnico exige atenção a cálculos, normas e detalhes, tornando o processo lento e sujeito a falhas humanas. Pequenos erros no dimensionamento de condutores, na definição de proteções ou na organização dos circuitos podem passar despercebidos nas primeiras versões do projeto.
Além disso, cada ajuste solicitado — seja por mudança de carga, ampliação da instalação ou adequação às normas — obriga o eletricista a refazer cálculos e revisar diagramas inteiros. Como consequência, o tempo gasto aumenta consideravelmente e a chance de inconsistências cresce. Isso não apenas compromete a segurança da instalação final, mas também impacta a produtividade e a confiabilidade do profissional, que acaba dedicando mais tempo a correções do que ao avanço efetivo do projeto.
Entender como elaborar projetos elétricos de forma correta exige atenção especial ao dimensionamento e à proteção dos circuitos. Um dos erros mais recorrentes é o uso incorreto de dispositivos de proteção, como disjuntores mal selecionados ou mal ajustados. Isso compromete diretamente a segurança da instalação e pode causar danos a equipamentos sensíveis.
Outro problema comum está na escolha inadequada dos cabos, que pode resultar tanto em sobredimensionamento (gerando desperdício de material e aumento de custos) quanto em subdimensionamento (oferecendo risco de superaquecimento e incêndios).
Felizmente, com o uso de ferramentas automatizadas, muitos desses erros podem ser evitados. Softwares específicos ajudam a calcular seções de cabos, quedas de tensão e níveis de proteção com base nas normas técnicas vigentes. Dessa forma, o projetista não apenas reduz falhas, mas também aumenta a confiabilidade e a eficiência do projeto elétrico.
Portanto, dominar como elaborar projetos elétricos com critérios técnicos e o apoio das tecnologias certas é essencial para quem deseja entregar soluções profissionais, seguras e valorizadas pelo cliente final.
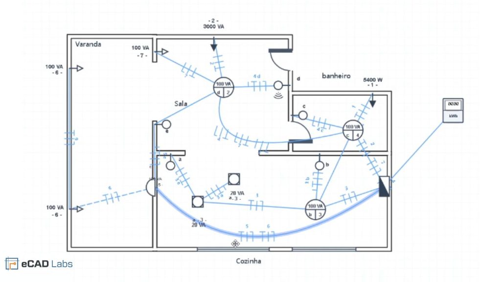
Ao aprender como elaborar projetos elétricos de forma profissional, é essencial conhecer as ferramentas certas que otimizam o tempo e reduzem erros. Nesse contexto, o eCAD Labs se destaca como um dos softwares mais completos e acessíveis para eletricistas que desejam automatizar e padronizar seus projetos.
Com o eCAD Labs, é possível gerar diagramas unifilares e multifilares automaticamente, com base nas configurações do projeto. Além disso, o sistema realiza cálculos de queda de tensão e corrente com precisão em cada trecho da instalação, evitando retrabalhos e garantindo conformidade com as normas técnicas — especialmente a NBR 5410.
Além disso, outro recurso valioso é a exportação automática da lista de materiais. Com isso, elimina-se o levantamento manual de componentes, o que economiza tempo e aumenta a assertividade na compra de materiais. Da mesma forma, o software também facilita a padronização visual dos projetos, o que, por consequência, resulta em uma apresentação mais profissional e confiável para os clientes.
Portanto, dominar ferramentas como o eCAD Labs é parte fundamental para quem deseja aprender, de forma prática e eficiente, como elaborar projetos elétricos completos, precisos e compatíveis com o mercado atual.

Aprender como elaborar projetos elétricos de forma rápida e profissional é um diferencial competitivo que facilita não apenas a execução, mas também a venda do serviço. Isso porque, ao utilizar ferramentas modernas e integradas, como o App Orçamento Incontestável, o eletricista consegue transformar cálculos complexos em propostas comerciais atrativas — e tudo isso em poucos minutos.
A automação do processo permite gerar orçamentos técnicos detalhados com muito mais agilidade. Com isso, o cliente recebe uma proposta completa e confiável no mesmo atendimento, aumentando as chances de fechar o serviço na hora.
Com um fluxo de trabalho bem definido, o tempo necessário para elaborar projetos elétricos pode ser reduzido em até 80%, sem comprometer a qualidade técnica. Isso significa atender mais clientes em menos tempo, mantendo a qualidade com algoritmos de cálculo seguros e precisos.
Dessa forma, ao entender como elaborar projetos elétricos com eficiência, você não só aumenta sua produtividade, como também potencializa seus lucros — e, o mais importante, ganha credibilidade no mercado como um profissional preparado para os desafios de 2026 e além.
A valorização do eletricista no mercado atual está diretamente ligada à sua capacidade de acompanhar a evolução tecnológica da profissão. Dominar como elaborar projetos elétricos de forma automatizada, segura e eficiente deixou de ser diferencial — é exigência para quem quer crescer com consistência e reconhecimento.
Mais do que entender os aspectos técnicos, o profissional precisa saber aplicar ferramentas inteligentes que otimizam tempo, reduzem erros e aumentam a percepção de valor do seu serviço. Portanto, saber como elaborar projetos elétricos com o apoio de plataformas modernas e metodologias eficazes é o caminho para se destacar.
Na Sala da Elétrica, estamos comprometidos em oferecer não apenas conhecimento técnico, mas também estratégias de gestão e mercado. Nosso foco é formar eletricistas completos, preparados para atender às demandas reais do setor.
👉 Deseja transformar sua carreira e dominar a elaboração de projetos elétricos e orçamentos profissionais?
Conheça a Mentoria P(AC)² e os nossos treinamentos especializados. Chegou a hora de construir o futuro da elétrica com segurança, autoridade e estratégia — um projeto e um orçamento por vez.
ASSISTA O VÍDEO:
Deixe o seu comentário