Sabemos que saber interpretar bem um Esquema Elétrico é crucial, certamente fazer isso de forma incorreta pode levar a erros, inclusive fatais. É uma tarefa vital para o profissional da área elétrica, isso é fato.
Trabalhei em industrias na minha vida, enquanto que em algumas delas eu tive a oportunidade de preparar testes para candidatos, tanto para admissão de novos, quanto na promoção de algum que já estivesse seguindo sua carreira ali dentro.
Um dos testes que eu mais gostava de desenvolver, enquanto media o nível de dificuldade dos profissionais em tarefas básicas, era o teste de interpretação de Esquema Elétrico, onde eles eram colocados para reconhecer a diferença, ou indicar a ligação que esta sendo representada, em diagramas elétricos.
E você, será que passaria nesse teste? Vamos ver isso nesse artigo.

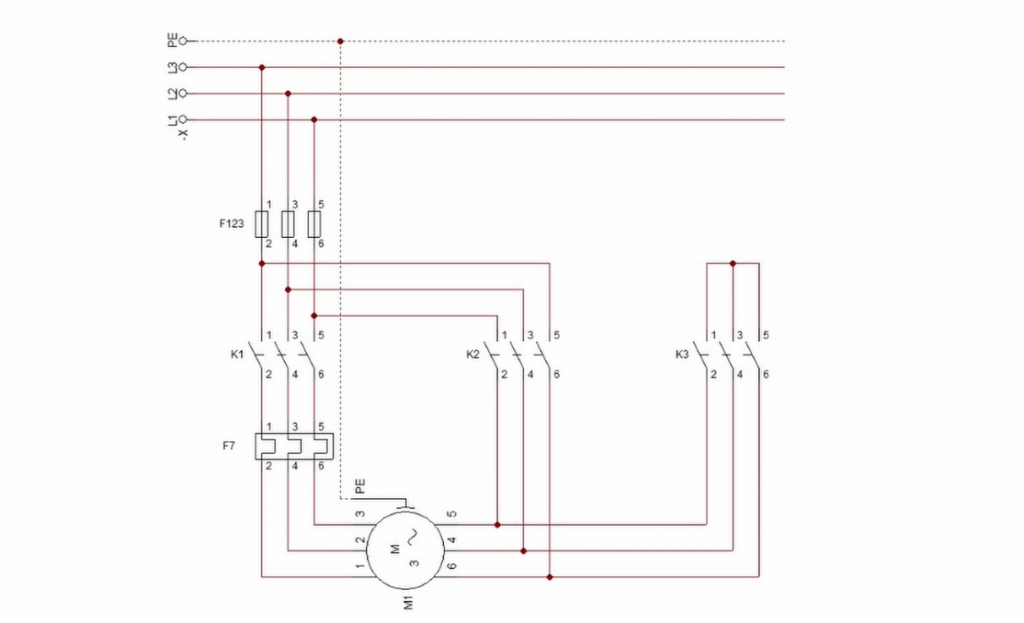
Nesse Esquema Elétrico, qual é a partida de motor que esta sendo controlada?
Vou fazer como eu fazia na Industria, e te dar algumas alternativas. São elas:
Leia Também: 3 dicas para te ajudar na leitura de Esquema Elétrico
Bem, a resposta para essa pergunta é Partida Motor Dahlander. No momento em que você observou o Esquema Elétrico, pode ter pensado que era uma Estrela Triângulo, e não tem problema algum nisso, esse erro era o mais comum que acontecia em meus testes.
Essa imagem abaixo é a de um Esquema Elétrico de partida estrela triângulo, perceba a diferença:

Viu só?
Leia Também: 3 dicas para te ajudar na leitura de Esquema Elétrico
Claro que isso foi apenas um teste para que você observasse, junto comigo, a importância de saber como interpretar de forma correta um diagrama, afinal, um teste como esse pode aparecer em sua carreira, ao ingressar em uma nova empresa, ou se candidatar para um upgrade de carreira, a probabilidade de isso acontecer é enorme.
Hoje o que foi te apresentado foi apenas um Esquema Elétrico de partida de motor, mas podem aparecer inúmeros outros testes para você, e saber reconhecer cada um deles faz toda a diferença, não só em testes, mas no seu dia a dia, todos os dias você é desafiado com o defeito de uma máquina ou instalação, não é mesmo?
Por exemplo, quando um sensor interfere no funcionamento de um motor, mas por não interpretar o Esquema Elétrico corretamente, você conclui que o motor inteiro está com problemas. Isso ao analisar um motor com partida estrela triângulo, quando na verdade é um Dahlander.
Assista ao Vídeo abaixo, e tenha mais detalhes a respeito desse assunto. Clique e assista agora mesmo.
Portanto, quando digo que saber interpretar um Esquema Elétrico é uma parte crucial do seu dia a dia, é pensando nesse tipo de situação, e saiba, você precisa dominar isso. Eu mesmo já passei por isso na minha carreira, e aqui na Sala da Elétrica, mais de 12 mil alunos passam por problemas assim todos os dias.
E como você pôde ver nesse artigo, saber ler e interpretar diagramas é algo que pode te colocar dentro de uma grande empresa, na empresa que você sempre sonhou em trabalhar, mas, e quando você já estiver la dentro? Quando passar no teste e ser contratado, será que a leitura de diagramas vai te manter por quanto tempo ativo no mercado?
Você precisa pensar no seu futuro profissional, e pensar sempre em ir além na sua carreira, e é isso que mais de 6 mil alunos nossos estão fazendo ao assistir cada aula do nosso curso de Máquinas e Comandos Elétricos.
Clique na imagem abaixo e conheça o curso que vai te manter ativo na industria, e não só isso, vai te colocar alguns degraus acima na sua carreira.
Comentários
Reginaldo
Gostaria de participar
Caio Paiva
olá, tudo bem?
Acesse o link abaixe e cadastre seu e-mail para receber o seu Ebook gratuito.
https://page.saladaeletrica.com.br/guia-lide-ads/?nome=GUIA-LIDE-INDUSTRIAL&tipo=EBOOK&sck=MATERIAIS_EDUCATIVOS_GLI&utm_source=blog&utm_medium=lideindustrial&utm_campaign=lideindustrial&utm_term=090419&utm_content=090419
Saudações,
Caio Paiva – Sucesso do Cliente
Sala da Elétrica
Deixe o seu comentário
Receba mais conteúdos
Cadastre-se seu e-mail para receber os nossos conteúdos exclusivos.